公司简介 企业文化 联系我们
创行业名牌,造专业品质,展员工所长,为顾客所想
电气百科 行业新闻
人才战略 人才招聘
联系我们
For More Information Call
0577-27880778
打印当前页
放入收藏夹
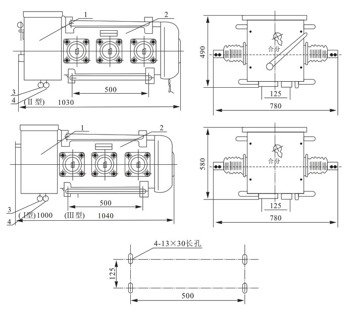
LW3-12型户外高压六氟化硫断路器是六氟化硫气体作为灭弧介质的新型户外高压电器.其灭弧室采用自能旋弧灭弧原理,操动机构分(Ⅰ型)手动储能弹簧操动机构.(Ⅱ型)电动机储能弹簧操动机构,(Ⅲ型)直流电磁操动机构三种,各种操动机构均与断路器本休完善地组合成一个整体。
环境温度:-45℃-+40℃;
海拔高度:不超过1000m;
风速不大于35m/s;
相对温度:日平均不大于95%,月平均不大于90%;
地震烈度:不超过8度;
无火灾、爆炸、严重污秽、化学腐蚀及剧烈振动的场所。