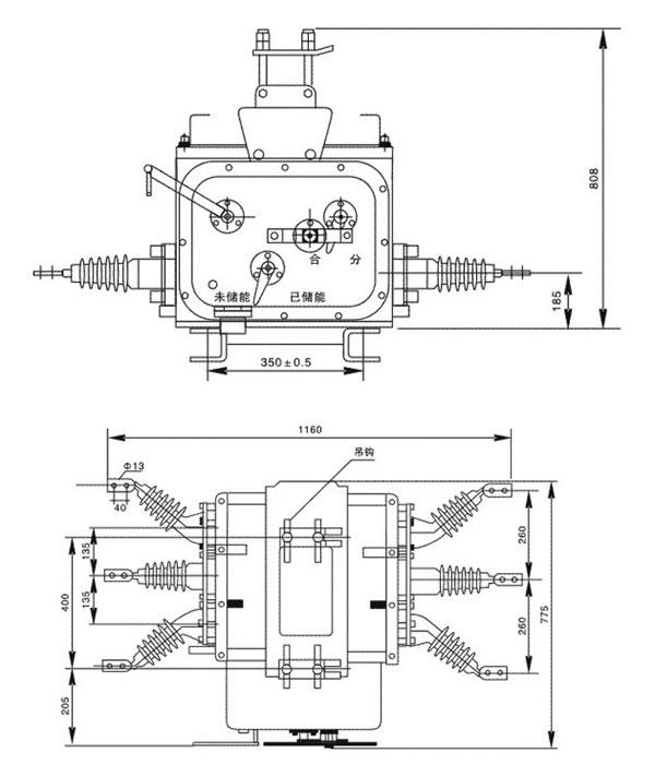
ZW20-12F系列户外高压交流分界真空断路器为额定电压12KV,三相交流50Hz的高压户外开关设备,主要采用来开断关合农网、城网和小型电力系统的负荷电流、过载电流、短路电流。该产品总体结构为三相共箱式,三相真空灭弧室置于金属箱内,开关性能可靠,绝缘强度高。本系列产品的操动机构为弹簧储能式,分为电动和手动两种。断路器符合GB1804\DL403\GB11022等标准的规定无论是在正常使用条件还是在故障条件(特别是短路情况)下,只要在短路的技术参数范围内,它就可以保证安全可靠的运行于相应电压等级的电网的网中。
GB1984《交流高压断路器》
GB11022《高压开关设备和控制设备标准的共同技术要求》
GB311.1-6《高压输变电设备的绝缘配合》
GB763《交流高压电器在长期工作时的发热》
GB2706《交流高压电器动,热稳定试验方法》
GB3309《高压开关设备在常温下的机械试验》
DL/T593《高压开关设备的共同订货技术条件》
环境温度:-45℃-+40℃;
海拔高度:不超过1000m;
风速不大于35m/s;
相对温度:日平均不大于95%,月平均不大于90%;
地震烈度:不超过8度;
无火灾、爆炸、严重污秽、化学腐蚀及剧烈振动的场所。